- 无锡先锋电机有限公司
- 全国免费咨询热线:400-8621-778
- 电 话:0510-83311008 赵小姐
- 售后24热线:15006180056
- 手 机:13961759663 贾小姐
- 售后电话:0510-83311074
- 地 址:无锡市惠山区洛社镇大槐路1号
- 邮 编:214187
- 网 址:http://www.shengling88.net
- 邮 箱:521032281@qq.com
IM系列交流伺服变频(主轴)电机


IM系列三相交流异步伺服(主轴)电动机

概述
IM三相交流伺服(主轴)电动机是无锡先锋电机有限公司综合欧美电机制造技术,自主研发设计的节能动力产品
IM三相交流伺服(主轴)电动机可与国内外各类高、中、低档变频器或主轴变频器配套,进行开环控制运行,或闭环控制运行,取得与配套普通交流变频电动机完全不同的优异特性,广泛应用于数控机床、建材、塑机、纺织、轻工机械、冶金,输送线等需要调速的场合。
IM三相交流伺服(主轴)电动机选用了低噪声轴承、高性能矽钢片定转子、高精密反馈原件(如:光电编码器、旋转变压器、正余弦编码器等)组成;在进行结构优化设计,磁路优化的基础上,采用F级特殊绝缘结构及高精密动平衡工艺,使电机具有如下优点:
◆ 结构紧凑,体积小,重量轻,功率密度高;
◆ 采用特殊设计,电磁振动小,噪音低,旋转精度高,恒转矩及恒功率调速范围宽;
◆ 转子惯量小,响应速度快;
◆ 气隙均匀,平衡精度高,转矩脉动小;
◆ 全密封设计,防护等级IP54;
◆ 特殊F级绝缘结构,抗浪涌电流及电晕现象;
◆ 外壳采用高强度的铝型材外壳,外形和通风经过有限元温度场分析最后优化确定,温度梯度大,散热效果好;
◆ 耐冲击,寿命长,运行可靠;
◆ 性能价格比高。
型号说明

额定转速(所标数字*100r/min)
额定转矩(Nm)
机座号180(mm)250(mm)
IM系列三相异步交流主轴电动机
IM180系列三相交流异步伺服(主轴)电机,额定功率下最高转速6000r/min
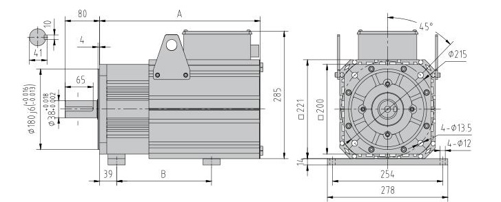
IM180电机外形尺寸图(凸缘安装为标准配置,底脚安装需定制) 单位:mm

IM250系列三相交流异步伺服(主轴)电机,额定功率下最高转速6000r/min
IM250电机外形尺寸图(建议凸缘+底脚安装)单位:mm


下一页:没有了

print
close